آیکون واتساپ
TEL: 021-77608227-77607818
لوگوی صنعت سازان پارس
  

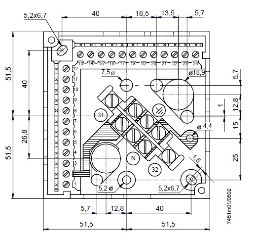
AGM 4104 پایه تایمر زیمنس مشعل لاندیس SIEMENS

  
AGM 4104 پایه تایمر زیمنس مشعل لاندیسAGM 4104 پایه تایمر زیمنس مشعل لاندیس
   شماره فنی : ‎    
   نوع : رله وتایمرمشعل      
موجود
شرکت صنعت سازان پارس عرضه کننده انواع رله وتایمرمشعل
برند : SIEMENS
مدل : AGM 4104 Base for LFL
نآم لاتین : Base for Burner Control Box
کشور سازنده : آلمان
مورد استفاده : تایمر های LFL
توضیحات بیشتر : Timer,Relay
سایر نام‌های مرتبط : پایه جعبه کنترل مشعل, پایه رله مشعل
وزن: 100 گرم
شرکت صنعت سازان پارس آمادگی ثبت سفارش باقیمت همکاری را دارد
فروش رله وتایمرمشعل
بورس رله وتایمرمشعل
قیمت رله وتایمرمشعل
مشاهده جدول
محصولات مشابه

TEL : 021-77608227-77607818
Email: info [at] sanatsazanpars [dot] com

© Copy right 2026 | All ights Reserved | Sanatsazanpars Corporation