UVZ 780 فتوسل چشم سنسور هانیول آبی مشعل HONEYWELL - SATRONIC | ![]() ![]() |
| شماره فنی : | |
| نوع : چشم الکترونیکی | |
| موجود | |
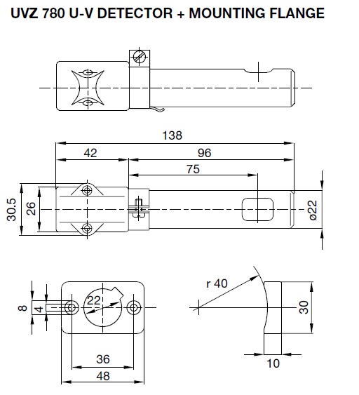
| شرکت صنعت سازان پارس عرضه کننده انواع چشم الکترونیکی مدل : UVZ 780 نآم لاتین : UV Flame Detector کشور سازنده : مجارستان مورد استفاده : تایمر TMG, SGU,MMG نوع : یو,وی,سفید,medium sensitivity,UV توضیحات بیشتر : UV,Flame Sensor,Photoresistor,Supervision of gas flames سایر نامهای مرتبط : یو,وی,چشم فتوسل سنسورچشم حسگر الکترونیک و نظارت شعله مشعل وزن: 85 گرم شرکت صنعت سازان پارس آمادگی ثبت سفارش باقیمت همکاری را دارد بورس چشم الکترونیکی قیمت چشم الکترونیکی فروش چشم الکترونیکی |
|
| مشاهده جدول |
